QQ咨询
收藏本站
English
冷库成套设备
冷库制冷设备,食品冷冻冷藏,低温螺杆机组,氨改氟机组
上海旭锐制冷设备有限公司专业提供冷库制冷设备,冷库成套设备,食品冷冻冷藏,低温螺杆机组,氨改氟机组等全系列高精度的工业制冷产品!
网站首页
旭锐简介
企业证书
关于旭锐
发展历程
企业理念
研究与开发
旭锐产品
压缩冷凝机组类产品
工业冷库制冷成套设备
制冷系统配套类产品
压缩冷凝机组类产品
箱式侧出风机组
箱式顶出风机组
敞开式压缩冷凝组
活塞式并联压缩冷凝机组
中温螺杆机组系列
低温螺杆机组
工业冷库制冷成套设备
整体式库用冷冻机
制冰机系列
工业冷水机系列
速冻隧道设备
制冷系统配套类产品
换热器
冷库自控系列
冷库保温板
制冷配件
产品应用
产品应用
食品冷冻冷藏加工领域
医药与化工领域
种植养殖行业
军工与船舶领域
金属表面处理
塑胶机械行业
高新科技与新能源领域
新闻中心
公司新闻
专题报道
图片新闻
制冷资讯
旭锐网谈
旭锐人文
人才招聘
人才培训
人文创新
企业VI
影像旭锐
服务与支持
冷库设计
设备选型
售后服务
资料下载
联系旭锐
联系我们
网站导航
全球经销点
在线留言
热门搜索:
当前位置:
首页
>>
中文网站
>>
旭锐产品
>>
制冷系统配套类产品
>>
冷库保温板
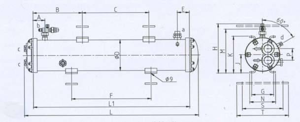
产品名称:冷库保温板
产品分类:
冷库保温板
产品型号:
JD,JDEV
工作电压:
工作温度:
功 率:
电子邮件:
shs@shxurui.cn
订购热线:
021-39905996
prev
next
产品特点
标准配置
技术参数
常见问题
售后服务
● 严格按照国家标准设计制造,并具有压力容器生产许可证,产品由质监局监检,确保产品的质量;
● 换热管采用由专业厂生产的B型高效外螺纹铜管,单位长度的换热面积大,传热效率高;
● 产品经过严格的气压和水压试验,壳程试压2.8MPa,管程试压1.0MPa;
● 产品均装有安全装置,当壳程的温度或压力达到极限时,安全装置将自动爆破、确保产品使用的安全性;
● 产品为船用、军工领域提供配套,有海水型专用换热器
●
常见问题
售后服务
*
表示必填
采购:冷库保温板
*
联系人:
请填写您的真实姓名
*
手机号码:
请填写您的联系电话
*
电子邮件:
*
采购意向描述:
请填写
采购
的产品数量和产品描述,方便我们进行统一备货。
*
验证码:
跟此产品相关的产品
冷库自控系列产品
冷库保温板
展开
收缩
QQ咨询
在线咨询
项目咨询
产品咨询
售后服务
请在线留言
Please leave a message online, we will serve you sincerely
联 系 人:
*
联系电话:
*
电子邮件:
留言内容:
验 证 码:
*